CBSE Guess > Papers > Question Papers > Class XII > 2004 > Physics > Compartment Outside Delhi Set-I
PHYSICS (Set I— Compartment Outside Delhi)
Q. 1. Define the term ‘wavefront’. 1
Q. 2. Name the experiment for which the following graph, showing the variation of intensity of scattered electrons with the angle of scattering, was obtained. Also name the important hypothesis that was confirmed by this experiment. 1

Q. 3. Write the full form of the terms (i) SSI and (ii) VLSI used for different types of integrated circuits. 1
Q. 4. Name the two types of orbits (other than the geostationary orbit) used in satellite communication. 1
Q. 5. Find the capacitance of the capacitor that would have a reactance of 100 ohm when used with an a. source of frequency
. 1
Q. 6. Name the dielectric whose rnolecules have (i) non-zero, (ii) zero dipole moment. Define the term ‘dielectric constant’ for a medium. 2
Q. 7. Define the term ‘self-inductance’ Give its unit. Write an expression for the energy stored in an inductor when a steady current ‘I’ is passed through it. Is this energy elect or magnetic” 2
Q. 8. What is meant by coherent sources of light? Can two identical and independent sodium lamps act as coherent sources? Give reason for your answer. 2
Q. 9. Name the two factors on which the resistivity of a given material depends. A carbon resistor has a value of
with a tolerance of 5%. Give the colour code for this resistor. 2
Q. 10. A charged particle, having a charge q, is moving with a Speed v along the x-axis. It entres a region of space where an electric field
and a magnetic field
are both present. The particle, on emerging from this region, is observed to be moving along the x-axis only. Obtain an expression for the magnitude of
in terms of v and E. Give the direction of
. 2
Or
A straight wire, of length L, carrying a current I, stays suspended horizontally in mid air in a region where there is a uniform magnetic field . The linearmass density of the wire is . Obtain the magnitude and direction of this magnetic field. 2
Q. 11. Draw a diffraction pattern due to a single slit illuminated by a monochromatic source of light. Light, of wavelength 500 nm, falls, from a distant source on slit 0.50 mm wide. Find the distance between the two dark bands, on either side of the central bright band, of the diffraction pattern observed, on a screen placed 2 m from the slite. 2
Q. 12. An a.c. input signal, of frequency 60 Hz, is rectified by a (i) half wave full wave rectifier. Draw the output waveform and write the output frequency in each case. 2
Q. 13. Explain briefly the elements required to specify the earth’s magnetic field, at a given place. How does the value of angle of dip vary from the earth’s equator to the north pole? 3
Q. 14. Draw a labelled diagram of a co-axial cable. Mention
(i) one advantage of a co-axial cable over a two-wire transmission line.
(ii) the reason for there being an upper limit of frequency up to which a co-axial cable can be effectively used. 3
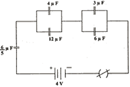
Q. 15. Find (i) the equivalent capacitance and (ii) the total energy stored in the system of capacitors given in the network. The charging battery has an emf of 4 V. 3
 Q. 16. Draw a circuit diagram for a meter bridge to determine the unknown resistance of a resistor. Obtain the balance condition for a meter bridge. Why are the connections between resistors of a meter bridge made of thick copper strips?
Find the shift in the balance point of a meter bridge, when the two resistors in its two gaps, are interchanged. Take the values of the two resistors as R and S. 3
Q. 17. State Faraday’s laws of electrolysis. Define Faraday constant.
How would you test the accuracy of a given ammeter by using Faraday’s first law? 3
Q. 18. A straight wire, of length
meter, is bent into a circular shape. If the wire were to carry a current of 5A, calculate the magnetic field, due to it, before bending, at a point distant 0.01 times the radius of the circle formed from it. Also calculate the magnetic field, at the centre of the circular loop formed, for the same value of current. 3
Q. 19. Which of the following, if any, can act as a source of electromagnetic waves?
(i) A charge moving with a constant velocity.
(ii) A charge moving in a circular orbit.
(iii) A charge at rest. Given reason
Identify the part of the electromagnetic spectrum, to which waves of frequency (i) 1020 Hz, (Ii) 109 Hz belong Find the ratio of their velocities in glass (n= 1.5). 3
Q. 20. Obtain Einstein’s photoelectric equation. Explain how it enables us to understand the
(i) linear dependence, of the maximum kinetic energy of the emitted electrons, on the frequency of the incident radiation.
(ii) existence of a threshold frequency for a given photoemitter. 3
Q. 21. Draw the general shape of the plot of the binding energy per nucleon versus the mass number for different nuclei. Hence explain why we must expect a release of nuclear energy during (i) nuclear fission, (ii) nuclear fusion.
Or
Group the following six nuclides into three pairs of 8sotones and (iii) isobars:

How does the size of a nucleus depend on its mass number’ Hence explain why the density of nuclear matter should be independent of the Size of the nucleus. 3
Q. 22. The decay constant, for a given radionuclide, has a value of 1.386 day-1. After how much time will a given sample of this radionucilde get reduced to only 6.25% of its present number? 3
Q.23. With the help of the diagrams, explain briefly the meaning of the following terms:
(i) pulse amplitude modulation
(ii) pulse width modulation
(iii) pulse position modulation
for a carrier wave that is in the form of pulses. 3
Q. 24. In the figure shown, calculate the total flux of the electrostatic field through the spheres S1 and S2. The wire, AB, shown here, has a linear charge density ,
, given by
where x is the distance measured along the wire, from the end A. 3
 Q. 25. Figures (a), (b) and (c) show three a.c. circuits in which equal currents are flowing. If the frequency of emf be increased, how will the current be affected in these circuits? Give reason for your answer.
 An a.c. circuit consists of a series combination of circuit elements ‘X’ and ‘Y’. `The current is ahead of the voltage in phase by
. If element ‘X’ is a pure resistor of
, (i) name the circuit element ‘Y’, and (ii) calculate the rms value of current, if rms value of voltage is 141 V. 5
Q. 26. Draw a ray diagram to show the formation of the image of a point object
placed in medium of refractive index ‘n1' on the principal axis of a convex spherical surface of radius of curvature ‘R’ and refractive index ‘n2'. Using the diagram, derive the relation
where ‘u’ and ‘v’ have their usual meanings.
A converging lens of focal length 50 cm is placed coaxially in contact with another lens of unknown focal length. If the combination behaves like a diverging lens of focal length 50 cm, find the power and nature of the second lens. 5
Or
Draw a ray diagram to show the formation of the image of a distant object by an astronomical telescope in the normal adjustment position. Obtain an expression for the magnifying power of the telescope in this adjustment
Define resolving power of a telescope. How would it change with the increase of (i) aperture of the objective and (ii) wavelength of light? 5
Q. 27. Draw the circuit diagram of an n-p-n transistor in common emitter configurati-on to study its (i) input and (ii) output characteristics. Draw approximate shapes of these characteristics.
Using these characteristics, explain how you would find the input and output resistance of the transistor. 5
CBSE 2004 Question Papers Class XII
|